Ak5195 10 схема платы - смотри 59 фото

Найдено фото: 59

Электронный модуль управления BEKO c дисплеем :: ДиК - сервисная служба город Вл
Электронный модуль управления BEKO :: ДиК - сервисная служба город Владимир
Cv9632h a50 фото - Сервис Левша
P10 Led Module Circuit Diagram
Electro help: 3-CD CHANGER DVD - SCHEMATICS - LG - LM-U550A, LM-U550D, LM-U550XL
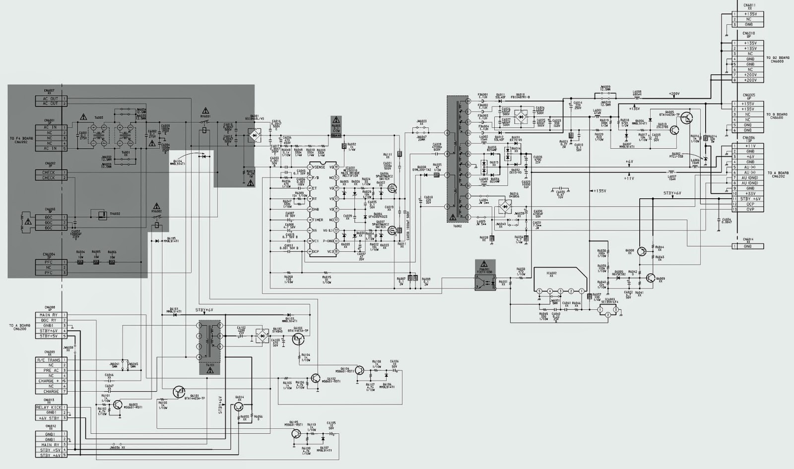
Electro help: POWER SUPPLY SMPS SCHEMATIC - Sony FD Trinitron - KV32FX66 - KV28F
Electro help: LG LH T3039X - LG LH T3530X - POWER AMP and SMPS SCHEMATIC
Schematic Diagrams: LGXCS62F - LGXC62 - MINI HI-FI SYSTEM - SCHEMATIC DIAGRAM
Electro help: POWER AMP SCHEMATIC - LG LM U1060 - LMS U1060 - 3-CD CHANGER - HT
Electro help: Sony HCD-GTX777 - Error codes - power amplifier and sub-woofer amp
Music Speakers с дисплеем на ИВ-22 - Сообщество "Электронные Поделки" на DRIVE2
LG консультация
Schematic Diagrams: FUSION FP-9001D - CIRCUIT DIAGRAM and EXPLODED VIEW
ARISTON AL-129X ELECTRIC MODUL SCH Service Manual download, schematics, eeprom,
BEKO 20.2 MAIN BOARD SCH Service Manual download, schematics, eeprom, repair inf
HAIER 21F3AT W90DL-092-Q - TMPA8803CPAN-3GV1 , STRF6654 , LA7840 , TDA2611 - TV
VESTEL 11AK37-10 CHASSIS SCH Service Manual download, schematics, eeprom, repair
BOSE WAV RADIO Service Manual download, schematics, eeprom, repair info for elec
Végső Vinnyog Hatékony lhd6235 távirányító alkalmazkodás érzékelhető Folyadék
TCL 01-P152C0-PWC1XG PW152C0 PSU SCH Service Manual download, schematics, eeprom
Ошибка 4Е / Е1 / ЧЕ / 4E в стиральной машине Самсунг - что делать? РемБытТех
Усилитель Из Домашнего Кинотеатра. Как Запустить? - Прочее - Форум по радиоэлект
Импульсный Стабилизатор Напряжения - Импульсные источники питания, инверторы - Ф
Контент sima8520 - Страница 21 - Форум по радиоэлектронике
Опознать номиналы и параметры компонентов smd,сма BEKO
подключение электронного модуля "на столе" сма BEKO WKY 61031 AK5195-10
Нужна принципиальная схема модуля beko wkb 50821 ptm (ak5195-10)
20 Electrical Wiring Diagram Software Design , https://bacamajalah.com/20-electr
Схема блока управления EDT0117.11 - YouTube
2826920100 B7S_G10_B04_T01 REV:B7S_5900AB B7S_G10 BY AR001870 AK5 appliancespare
2826920100 B7S_G10_B04_T01 REV:B7S_5900AB B7S_G10 BY AR001870 AK5 appliancespare
2826920100 B7S_G10_B04_T01 REV:B7S_5900AB B7S_G10 BY AR001870 AK5 appliancespare
Kdc 231 1m принципиальная схема
СМА BEKO WKB 51031 PTMA опознать детали модуля
Ответы Mail.ru: Добрый день. Плата стиральной машины
DC2229A-B - Schematic
2851540780 Модуль управления стиральной машины Модули управления и дисплеи стира
pinnaclehomesus Digital Audio Interface LQFP 64 pin AK4115VQ Ashai Kasei Busines
Миру Мир! DC41-00049A - если не ошибаюсь этот модуль помогите пожалуйста с подкл
С.М.А. LG F1020NDR s/n904RATS28041, проблеммы с модулем по питанию - Ремонт стир
сма BEKO WKB51031, Требуется фото модуля - Ремонт стиральной машины - Ответ 1186
сма BEKO WMB51021s, нужна схема подключение на столе - Прошивка, дамп - Ответ 11
ASUS PRO79I martwy po zalaniu * Forum ELVIKOM
Счастье и разочарование - покупатель получил RTX 5080 FE с логотипом RTX 5090 -
Применяемость и схемы включения ПЗС-сенсоров SONY и PANASONIC для видеокамер - R