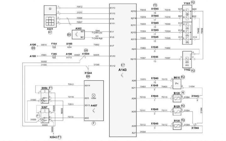
Man tgs предохранитель f366 ecas где стоит - смотри 30 фото
Найдено фото: 30



























Смотрите также
- Ba5406 схема усилителя с платой
- Ваз 2112 схема бензонасоса 16
- Водопад джур джур республика крым фото
- Евгений попов биография фото
- Картинки с добрым утром интересные необычные
- Купить тюнинг на оку ваз 1111
- Многолетние сорта лука на перо зелень фото
- Овальные коврики связанные крючком схемы
- Потолок мансарды фото
- Как выглядят черные глаза
- Актриса марина личная жизнь биография
- График смен пожарных 2025 год
- Как выглядит лицо салли без маски
- Где находится кнопка очистить историю браузера
- Построение чертежа клиньевой юбки
- Предохранитель габаритов нива 2131
- Маркировка кабелей согласно пуэ
- Предохранитель бензонасоса бмв х5 е53
- Проект одноэтажного дома с гаражом до 150
- Решение по фото английский язык 6 класс