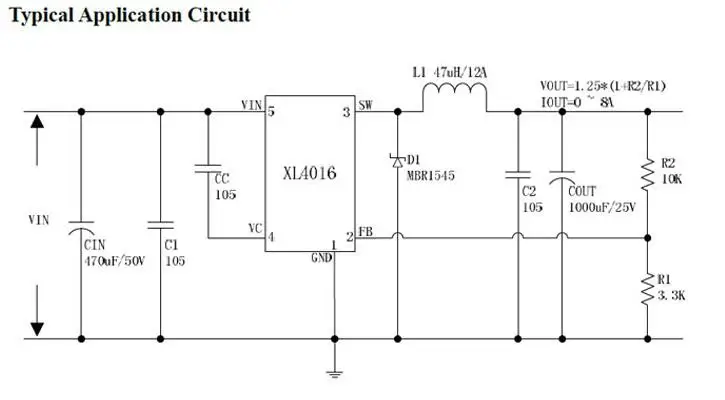
1511) Принцип работы и ошибки понижающего преобразователя,DC-DC Step Down Adjust фото

Смотри все 30 фото на тему: Xl4016 схема преобразователя принцип работы описание

Смотри все 30 фото на тему: Xl4016 схема преобразователя принцип работы описание