Урок 2 - Подключаем сдвиговый регистр 74НС595 к Arduino. "Бегущие" огни фото

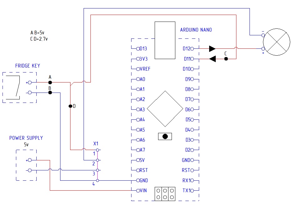
Смотри все 30 фото на тему: Как на электрической принципиальной схеме изображать ардуино

Смотри все 30 фото на тему: Как на электрической принципиальной схеме изображать ардуино