Линейный компенсационный стабилизатор микросхема к142ен схема - смотри 60 фото

Найдено фото: 60

Радиосхемы. - Стабилизатор напряжения К142ЕН2 и его применение
Радиосхемы. - Простой лабораторный регулируемый источник питания 3- 33 V
Отечественные интегральные стабилизаторы (серия К142) - rcl-radio.ru
К142ЕН1А, К142ЕН1Б, К142ЕН1В, К142ЕН1Г, КР142ЕН1А, КР142ЕН1Б, КР142ЕН1В, КР142ЕН
Схема источника напряжения на к142ен5, кр142ен5 и типовая схема включения из зап
СТАБИЛИЗАТОРЫ НАПРЯЖЕНИЯ С МИКРОСХЕМОЙ КР142ЕН19А
Стабилизаторы напряжения на микросхемах серии КР142 - Радио для всех
Стабилизаторы напряжения на микросхемах серии КР142 - Радио для всех
Стабилизаторы напряжения на микросхемах серии КР142 - Радио для всех
Стабилизатор КРЕН12А (кр142ен12а): характеристики и схемы подключения ShemaTok.r
СН с выходным напряжением повышенной стабильности
Двуполярный СН на основе однополярной микросхемы
Простой преобразователь 24/12В 5A
Диммер своими руками: устройство, принцип работы + инструктаж как сделать диммер
Кр142ен22а схема включения с регулировкой
Контент He3haika - Страница 120 - Форум по радиоэлектронике
Пин на доске DC power supply
Полезные схемы для радиолюбителей Радиолюбитель, Электронная схема, Книги
Полезные схемы для радиолюбителей Радиолюбитель, Электронная схема, Умножение
Мощный стабилизатор напряжения (5..30V / 5A) Электроника
Интегральные стабилизаторы для микроконтроллеров, схемы Радиолюбитель, Электрони
Лабораторный БП на К143ЕНЗ Электронная схема, Принципиальная схема, Инверторы
питания - Стабилизированный источник питания (КР142ЕН12, КР142ЕН22)
Стабилизаторы постоянного напряжения и тока
К142ЕН8А, К142ЕН8Б, К142ЕН8В, К142ЕН8Г, К142ЕН8Д, К142ЕН8Е, КР142ЕН8А, КР142ЕН8Б
К142ЕН8А, К142ЕН8Б, К142ЕН8В, К142ЕН8Г, К142ЕН8Д, К142ЕН8Е, КР142ЕН8А, КР142ЕН8Б
Интегральные стабилизаторы напряжения
Интегральные схемы стабилизаторов напряжения
Рис. 153 Двуполярный стабилизатор напряжения на базе КР142ЕН12А и КР142ЕН18А Тех
К142Ен12А схема включения: Регулируемый источник питания на ток до 1 А (К142ЕН12
Кр142Ен19А схема включения: Радиосхемы. - Микросхема КР142ЕН19А- регулируемый ст
К142Ен12А схема включения: Регулируемый источник питания на ток до 1 А (К142ЕН12
Ответы Mail.ru: Нужна помощь!
Ответы Mail.ru: подскажите детали (и схему) для регулятора напряжения с питанием
Ответы Mail.ru: Понизить напряжение с 12-15вольт до 4 вольт 3 ампер(12ватт). Как
Ответы Mail.ru: Подскажите как понять в каком корпусе микросхема кр142ен2 обозна
Стабилизаторы напряжения
К142ен2б схема включения фото
Микросхема К142ЕН3
Линейные стабилизаторы напряжения с высоким КПД
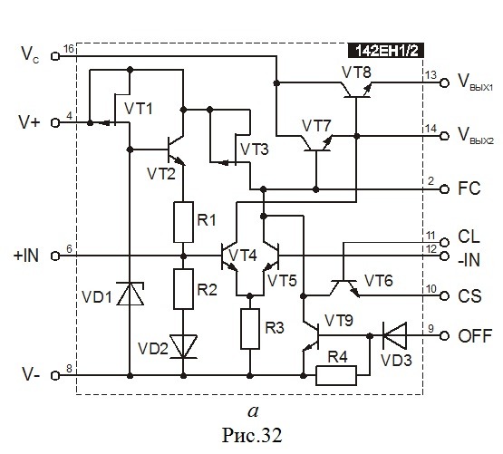
К142ЕН1(А-Г), КР142ЕН1(А-Г), К142ЕН2(А-Г), КР142ЕН2(А-Г) - DataSheet
КР142ЕН14 - DataSheet
К142ЕН1(А-Г), КР142ЕН1(А-Г), К142ЕН2(А-Г), КР142ЕН2(А-Г) - DataSheet
К142ЕН1(А-Г), КР142ЕН1(А-Г), К142ЕН2(А-Г), КР142ЕН2(А-Г) - DataSheet
К142ЕН1(А-Г), КР142ЕН1(А-Г), К142ЕН2(А-Г), КР142ЕН2(А-Г) - DataSheet
К142ЕН1(А-Г), КР142ЕН1(А-Г), К142ЕН2(А-Г), КР142ЕН2(А-Г) - DataSheet
К142ЕН3(А, Б), К142ЕН4(А, Б) - DataSheet
Многокаскадные стабилизаторы
3. Построение и расчет стабилизаторов напряжения на интегральных микросхемах.
9.3. Интегральные стабилизаторы напряжения с фиксированным выходным напряжением
К142ен10 схема включения фото
Reviewdetector Вопросы по настройке самодельных катушек - Товар на картинке можно купить.
Схемы и онлайн расчёт элементов регулируемых стабилизаторов напряжения
Стабилизатор напряжения последовательного типа на микросхеме КР142ЕН1 "Содержани