Мерседес w202 схема ток 1991 1998 - смотри 60 фото

Найдено фото: 60

Mercedes-Benz W202 (C Class) Электрические схемы Мерседес Бенц 202
Mercedes-Benz W202 (C Class) Расположение узлов и систем автомобиля Мерседес Бен
Схема ЭБУ 006 545 81 32 мотор М117 V8 - Mercedes-Benz S-Class (W126), 5 л, 1983
УРА!Проблемы решены.Подсветка приборов.Замок зажигания.Распиновка панели приборо
Тормозные трубки на Mercedes-Benz 190 - Mercedes-Benz 190 (W201), 2 л, 1984 года
Электрические схемы проводки мерседес, цвета и маркировка зависят от года выпуск
Электрические схемы проводки мерседес, цвета и маркировка зависят от года выпуск
#12 прошу помощи! электрика. - Mercedes-Benz C-class (W202), 1,8 л, 1993 года по
Правильное соединение свечных проводов на m111 - DRIVE2
Решил поставить ЭСП (электростеклоподъемники) Часть 1 - Mercedes-Benz C-class (W
Восстанавливаем электрику. Схемы - Mercedes-Benz 190 (W201), 2 л, 1985 года элек
Ищу электросхемы на w124 рестайл - Mercedes-Benz E-class (W124), 2 л, 1994 года
086. Моторная коса 1 - Mercedes-Benz E-class (W124), 2,2 л, 1989 года своими рук
#12 прошу помощи! электрика. - Mercedes-Benz C-class (W202), 1,8 л, 1993 года по
A2025460980 Короб направляющий эл. проводки Mercedes Запчасти на DRIVE2
Свап . - Mercedes-Benz E-class (W124), 2,3 л, 1986 года своими руками DRIVE2
W202 обозначение предохранителей - DRIVE2
ASD заработало! - Mercedes-Benz E-class (W124), 2 л, 1991 года поломка DRIVE2
Электрические схемы проводки мерседес, цвета и маркировка зависят от года выпуск
Устранение проблем и заправка системы кондиционирования после свапа на 6 цилиндр
Победа над холостыми оборотами. Схемы блока PMS. - Mercedes-Benz C-class (W202),
Установка Туманок w202 - Mercedes-Benz C-class (W202), 2,8 л, 1995 года своими р
Полностью автоматическое управление головным освещением - Mercedes-Benz E-class
Halp. Некорректно работает дворник. - Mercedes-Benz E-class (W124), 2,5 л, 1993
Дилема с огнями на приборке - Mercedes-Benz 190 (W201), 2 л, 1988 года электрони
Мерседесе схема 190
Купить книгу по ремонту и эксплуатации Mercedes C класс W202 1993-2000 цветные э
Схема предохранителей мерседес 124 дизель - КарЛайн.ру
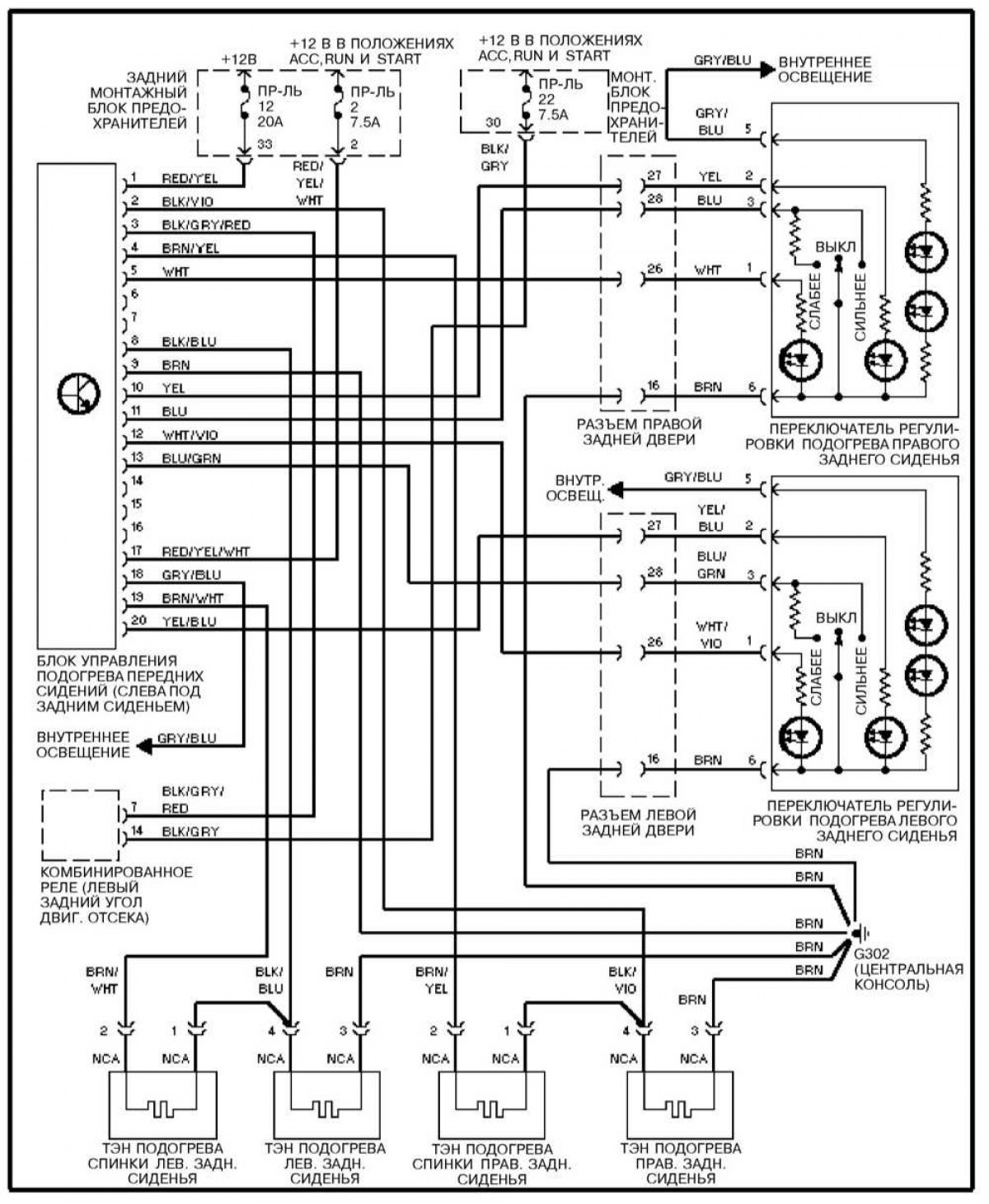
Мерседес-Бенц S-Класс W140 1991-1998: Подогрев задних сидений (Электрооборудован
Не работает дальний свет Мерседес В202 - 1 ответ
Схемы электрооборудования Mercedes Benz C класс (W202), 1993-2000 г " Схемы пред
Схемы электрооборудования Mercedes Benz C класс (W202), 1993-2000 г " Схемы пред
Схемы электрооборудования Mercedes Benz C класс (W202), 1993-2000 г " Схемы пред
Схемы электрооборудования Mercedes Benz C класс (W202), 1993-2000 г " Схемы пред
Схемы электрооборудования Mercedes Benz C класс (W202), 1993-2000 г " Схемы пред
Схемы электрооборудования Mercedes Benz C класс (W202), 1993-2000 г " Схемы пред
Схемы электрооборудования Mercedes Benz C класс (W202), 1993-2000 г " Схемы пред
Схемы электрооборудования Mercedes Benz W124 включая E-Klasse, 1985 - 1995 г. "
Что с замками ? - Mercedes-Benz E-class Estate (S210), 2,4 л, 1997 года своими р
MERCEDES W202 Wiring Diagrams - Car Electrical Wiring Diagram
Схемы электрооборудования - Схемы электрооборудования - Mercedes-Benz W210 (E
Электрическая схема мерседес 123 дизель - фото - АвтоМастер Инфо
Восстановить изображеие схемы - Мерседес клуб (Форум Мерседес). Mercedes-Benz Cl
Руководство по ремонту Mercedes-Benz W140 (Мерседес Бенц 140) 1991-1999 г.в. 7.2
Руководство по ремонту Mercedes-Benz W140 (Мерседес Бенц 140) 1991-1999 г.в. 14.
Система холостого хода и прогрева (дизель) - Страница 16 - Двигатель и топливная
Схемы электрических соединений Mercedes-Benz 190, 190E & 190D
Схемы электрических соединений Mercedes-Benz 190, 190E & 190D
Мерседес не работают поворотники: найдено 82 изображений
FG 202.033 - СИСТЕМА ЦЕНТРАЛЬНОЙ БЛОКИРОВКИ ЗАМКОВ - Mercedes EPC Online - Drive
Mercede-Benz C-Class w202 (1993 - 2001) - fuse box diagram - Auto Genius
Купить книгу Mercedes-Benz W-202 C-класс с 1993-2000 гг.. Руководство по ремонту
Купить книгу Mercedes-Benz C-класс (W202) 1993-2000 гг.. Руководство по ремонту,
Схема 7. Системы электроснабжения и пуска двигателя 602.980 выпуска с февраля 19
Central locking (Mercedes-Benz W202 1993-2000: Body: Interior (internal elements
Схемы электрычнага абсталявання аўтамабіляў Мэрсэдэс-Бэнц З-класа W202 (1993-200
Oświetlenie zewnętrzne (BD, DD) (Mercedes-Benz W202 1993-2000: Sprzęt elektryczn
Унутранае асвятленне (БД, ДД) (Мэрсэдэс-Бенц W202 1993-2000: Электраабсталяванне
Панэль прыбораў (БД 111 HRM / PMS / 104 HFM) (Мэрсэдэс-Бенц W202 1993-2000: Элек
Расположение компонентов электронной системы управления двигателем (дизельные дв