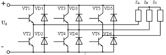
Мостовая схема автономного инвертора напряжения - смотри 60 фото
Найдено фото: 60
Смотрите также
- Выкройки одежды для реборна
- Герпес лишай на теле фото
- Дмитриева актриса фото с мужем
- Инструкция по сборке домика куроми
- Как выглядит знак девы
- Ми бэнд ошибка подключения
- Мтс юбилейная ул 7 верхняя пышма фото
- Ниссан вингроуд у11 тюнинг
- Парк ул ленина 31 фото
- Придомовой участок фото
- К исследовательским проектам относятся
- Как разобрать заднюю каретку
- Анна калинина после проекта
- Бобовник золотой дождик купить фото
- Вкусная выпечка рецепт с фото пошагово
- График работы судебных приставов автозаводского района
- Как поменять батарейку в ключе бмв х1
- Предохранители вентилятора заз шанс
- Саша скоров знакомства москва фото
- Метрополитен москвы схема 2025 крупным планом
