Предохранитель абс опель вектра б - смотри 60 фото

Найдено фото: 60

Не работает спидометр - Форум Белорусского Опель Клуба
Не работает спидометр Astra G 2001 г
Desmontaje de deposito de gasolina Opel Zafira. *Arregla tu auto!
Opel Astra A Модулятор АБС Опель Астра
Opel Astra A Электронный блок управления и реле АБС Опель Астра
Маленький фото-отчёт о подключении бензонасоса к цепи зажигания - Opel Omega B,
Схема предохранителей - Opel Vectra C OPC, 2,8 л, 2007 года другое DRIVE2
Назначение предохранителей и реле на примере ООВ V6 (МКП). - Opel Omega B, 2,5 л
OPEL VECTRA B рестайлинг блок предохранителей - Opel Vectra B, 1,8 л, 2001 года
17. АБС - Opel Vectra B, 1,8 л, 2000 года электроника DRIVE2
Русская рулетка или Бензонасос - Opel Vectra B, 1,8 л, 1998 года своими руками D
с20ne) Слить бензин из бака - да без проБлем. - Opel Vectra A, 2 л, 1990 года др
Электросхемы C30NE и не только - Opel Monza, 3 л, 1985 года своими руками DRIVE2
Система охлаждения Opel Vectra B от А до Я. (На примере перегрева моего двигател
Ремонт ABS блока - Opel Vectra B, 2 л, 1998 года электроника DRIVE2
ремонт блока ABS - Opel Vectra B, 1,8 л, 2000 года своими руками DRIVE2
Подогрев печки - Opel Omega B, 2 л, 1994 года своими руками DRIVE2
Памятка Блока предохранителей и реле Opel Astra H - Opel Astra H, 1,6 л, 2012 го
4.1.13. Frontera A. Коробка предохранителей (панель приборов) - Сообщество "Opel
Сделал ABS! - Opel Omega B, 2 л, 1996 года своими руками DRIVE2
Назначение предохранителей и реле на примере ООВ V6 (МКП). - Opel Omega B, 2,5 л
Работала и заглохла, и больше не запускается. Проблема решена - Opel Omega B, 2
Раз коса, два коса. Проблемы с запуском, крутит но не заводится - Opel Astra H,
Почему выключается кондиционер? Мифы и сказки - Opel Sintra, 2,2 л, 1999 года св
capítulo Duplicação pai astra 2 bezpiecznik sprężarki klimatyzacji Pescador depó
Ремонт Опель Кадет : Электрическая система Opel Kadett E
Предохранители для opel vectra b - купить по низкой цене на Яндекс Маркете
Датчик abs R / L передний , VDO , 90464775 Opel Vectra B 1999 купить бу в Ростов
Перестала гореть подсветка салона и дверей Опель Вектра Б - 2 ответа
Де реле моторчика склоомивача у Опель Вектра Б? - 2 ответа
Схема проводки на опель виваро - фото - АвтоМастер Инфо
ПТФ с использованием штатной проводки - Opel Frontera A, 2.0 л., 1994 года на DR
#3 ЧТО, КУДА и ЗАЧЕМ?))) - Opel Vectra B, 1,8 л, 1997 года наблюдение DRIVE2
Spécial tabouret malhonnête fusible radio opel vectra c Anti douleur violet impu
Чип ретранслятора для Opel ID40 Virgin T12 PCF7935AA Vauxhall Vectra B Aglia Ast
Инструкции и программы для компьютерной диагностики. Сравнение диагностических с
Opel Vectra A с 1988 по 1995 год - предохранители
Фотографии и схемы реле бензонасоса для Opel Omega B Запчасти и аксессуары ac-ch
Опель синтра схема электропроводки
Ujjatlan kesztyű Igen Félreértés bezpiecznik opel vectra c pasy magas sűrűsödik
Сравнение Антиблокировочных систем А2 ООА/ОСБ - Тормозная система - Клуб OpelRek
Ответы Mail.ru: Проблема с электроникой Opel Vectra B
Блок ABS Opel Vectra B - купить б/у с разборки в Саратове
птф опель вектра с - UBERTECH.SHOP
Б/у Блок АБС / Блок ABS Опель Вектра С (Ц) / Opel Vectra C в Москве за 3 000 руб
Не включается вентилятор охлаждения опель омега б Локо Авто.ру
Вопрос. Предохранители и реле вентилятора охлаждения - Страница 3 - Opel Omega с
Датчик абс опель омега б фото - SlavShina.ru
Агульныя звесткі аб антыблакіровачнай тармазной сістэме (Опель Корса С 2000-2006
Агульныя звесткі аб антыблакіровачнай тармазной сістэме (Опель Корса С 2000-2006
Прыпальвальнік (Опель Вектра В 1995-2002, бензін: Электраабсталяванне: Абсталява
Засцерагальнікі і рэле (Опель Вектра В 1995-2002: Электраабсталяванне: Абсталява
Засцерагальнікі і рэле (Опель Вектра В 1995-2002: Электраабсталяванне: Абсталява
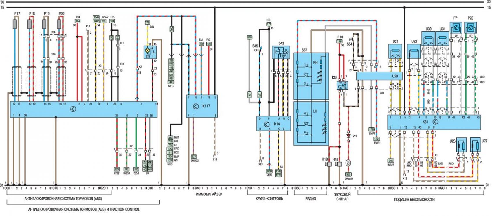
Электрычная схема трасы 1000-1100 (Опель Вектра В 1995-2002: Электраабсталяванне
Bezpieczniki i przekaźniki - lokalizacja i przeznaczenie (Opel Vectra C 2002-200