Расположение датчиков на промежуточной перекачивающей станции - смотри 60 фото

Найдено фото: 60

Применение контроллеров серии DCS-2000C в системах автоматизации нефтеперекачива
Водопроводные насосные станции. (Лекция 2) - презентация онлайн
Насосные и воздуходувные станции. (Лекция 1) - презентация онлайн
Технологические процессы и схемы нефтеперекачивающих станций магистрального нефт
Общепромышленные преобразователи частоты Altivar Process
1.4 Компрессорные станции
МПСА нефтеперекачивающих станций МНС и ПНС
НЕФТЕПЕРЕКАЧИВАЮЩАЯ СТАНЦИЯ БЕСПЕРЕБОЙНОЙ РАБОТЫ
Технологическая схема НПС
Регламент по подключению объектов нефтедобычи к магистральным нефтепроводам.
НОУ ИНТУИТ Экология. Лекция 5: Принципиальные схемы обустройства нефтегазовых об
Технологическая схема нефтеперекачивающей станции
Технологическая схема нпс с рп
Станция 2 размер: найдено 90 изображений
Электромагнитные клапаны 781100.
Виды нпс
Мехатронные насосные станции механизированных крепей
Схема узла подключения компрессорной станции
Транспорт нефти и газа - презентация, доклад, проект скачать
Index of /img/baza7/Korshak-A-A-Osnovy-neftegazovogo-dela-1383532807.files
Основные элементы НС (Генеральный план НС)
Назначение ролей нпс: найдено 75 картинок
Компоновочная схема ППС пассажирского самолета
Технологическая схема нпс с рп
Обвязка технологических трубопроводов
Тема № 7 : "Развёртывание полевого магистрального трубопровода"
Технологические схемы НПС - технические характеристики
Схема нпс с рп
3D моделирование и визуализация промышленных объектов
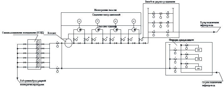
Описание работы САРД - Автоматизация нефтеперекачивающей станции "Дебесы"
Рис.13.1
1.2 Состав сооружений на площадке нпс.
Глава 13. Нефтеперекачивающие станции
Классификация нефтепроводов
Технологическая схема нефтеперекачивающей станции
5. Агрегатные защиты нпс. Какое оборудование и от чего защищается. По каким изме
Приводы запорной арматуры
Приводы запорной арматуры
Схема нпс с рп
13.4 Устройство камер приема, пуска, пропуска сод
Виды защиты нпс
shammazov_ONGD - Стр 30
1.3 Технологические схемы перекачки
Программа насосной станции
Технологическая схема ГНПС - Чертежи, 3D Модели, Проекты, Инженерные системы
Технологическая схема НПС - Чертежи, 3D Модели, Проекты, Нефть и Газ
Технологическая схема НПС - Чертежи, 3D Модели, Проекты, Нефть и Газ
Курсовая работа: Проектирование резервуарного парка - Чертежи, 3D Модели, Проект
Проектирование насосной станции 2 - ого подъёма для водоснабжения поселка Голико
Назначение НПС, Состав НПС - Состав и назначение нефтеперекачивающих станций
Схема нпс: найдено 77 изображений