Саундбар sa2000 устройство и принципиальная схема - смотри 59 фото

Найдено фото: 59

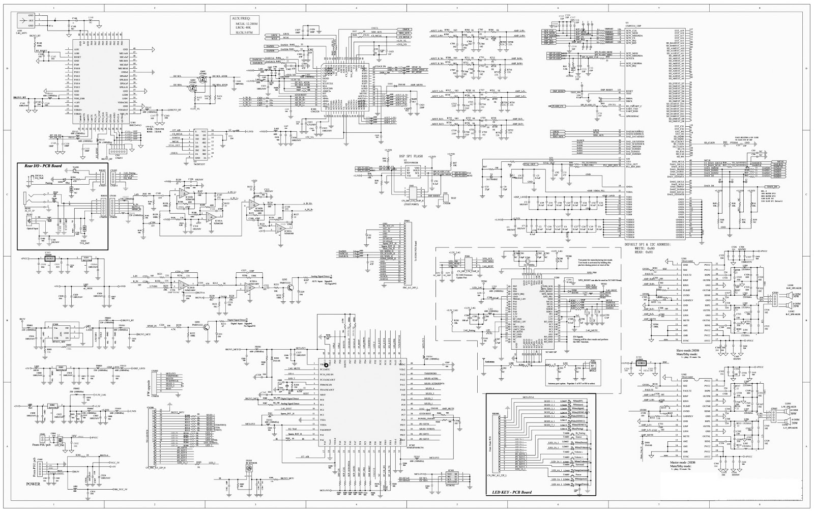
Dexp navis p100 схема
Electro help: JBL CINEMA SB400 - SB350 Powered sound bar with powered, wireless
Master Electronics Repair !: HARMAN KARDON SB30 SOUNDBAR - ACTIVE SOUNDBAR WITH
Саундбар своими руками: сборка по чертежам и подключение
Саундбар своими руками: сборка по чертежам и подключение
Купить Саундбар Sony HT-A3000 3.1, цвет - чёрный, HT-A3000 по выгодной цене ANDP
Саундбар YAMAHA YAS-207
Саундбар YAMAHA YSP-5600 черного цвета
DENON Heos HomeCinema - Саундбары. Купить DENON Heos HomeCinema
Домашний кинотеатр Sony HT-CT660 - купить в Москве, цена, характеристики и отзыв
samsung soundbar parts Online Shopping
Саундбар sa 2000: найдено 81 изображений
Саундбар подключен по bluetooth: найдено 89 изображений
MICROLAB X10D Service Manual download, schematics, eeprom, repair info for elect
JVC MX-K5 Service Manual download, schematics, eeprom, repair info for electroni
SAMSUNG HT-DB-1750 SCH Service Manual download, schematics, eeprom, repair info
SAMSUNG HT-DB-1750 SCH Service Manual download, schematics, eeprom, repair info
Купить Sonos Beam Gen2 black в Спб - Саундбары - Акустические системы - Цена в к
Sony HT-CT780 UNBOXING - YouTube
Sony HT-CT780 UNBOXING - YouTube
Sony Soundbar Ct260h Sale Online www.ulthera.ru
Саундбар sa 2000
Shenzhen Canjing Electronics SS1022B Portable Soundbar User Manual
Shenzhen Canjing Electronics SS1022B Portable Soundbar User Manual
Sony HT-CT390 Инструкция по эксплуатации онлайн
Samsung HW-M360 11/37 Id set
Портативный саундбар sa 2000: найдено 88 картинок
VRTP - Усилитель 200ВТ
Какая колонка работает с телевизором: найдено 89 картинок