Схема блока питания ps - смотри 60 фото

Найдено фото: 60

13.8V 20A linear power supply - Power_Supply_Circuit - Circuit Diagram - SeekIC.
Зарядное устройство из любого БП компьютера - Lada 21099, 1,5 л, 2000 года элект
Блок питания Ya Xun PS-305D - DRIVE2
Схемы блоков питания и не только.
Варианты доработки бюджетных лабораторных БП YG-1502DD (часть I) Свел Электрик Д
Подборка принципиальных схем источников питания на микросхеме u723/LM723 Свел Эл
Варианты доработки бюджетных лабораторных БП YG-1502DD (часть I) Свел Электрик Д
Playstation 4 slim схема
Ремонт бдоков питания и зарядных Пикабу
Простой стабилизированный БП на супердоступных деталях - Страница 3 - Форум
Переделка блока питания от принтера на регулируемый - Страница 2 - Форум радиолю
Форум РадиоКот * Просмотр темы - Лабораторный БП Lukey 1502D
PS one: принципиальная схема - Электрические принципиальные схемы
SIGNAALI OY TL-230 304 0-30V,3A POWER SUPPLY SCH Service Manual download, schema
LITEON UE-3121-01UN-LF PSU SCH Service Manual download, schematics, eeprom, repa
Sie selbst Ich habe mich fertig gemacht Auswertbar ps4 schematics Ruhe Poesie da
Sony PS4 konzol nem indul !!! Elektrotanya
Power supply started smoking Page 2 All About Circuits
Лабораторные блоки питания, сборник схем - Страница 41 - Схемотехника для начина
Контент Sem2012 - Страница 123 - Форум по радиоэлектронике
Бп Кит Ps-1502Dd Как Доработать Регулятор Тока - Аналоговые блоки питания и стаб
Лабораторные блоки питания, сборник схем - Страница 49 - Схемотехника для начина
Контент BAD03 - Страница 3 - Форум по радиоэлектронике
Очередня Переделка Китайского Блока Питания 1502Dd - Аналоговые блоки питания и
Контент GreyJester - Страница 2 - Форум по радиоэлектронике
Контент Sem2012 - Страница 106 - Форум по радиоэлектронике
Модернизация ЛБП HY3010 - Страница 16 - Аналоговые блоки питания и стабилизаторы
Контент Lexzzy - Форум по радиоэлектронике
Лабораторный блок питания 1.2 - 30V, 0.01 - 3A с коммутацией вторичек - Источник
Ребята нужна Помощь! - Сообщество "Радиосвязь и Радиолюбители" на DRIVE2
0-35V 0-5A New Continuously Adjustable DC-DC Regulated Power Supply DIY Kit eBay
Preview of SONY PLAYSTATION-PS-2-GENERIC-POWER-SUPPLY Power, Power supply, Circu
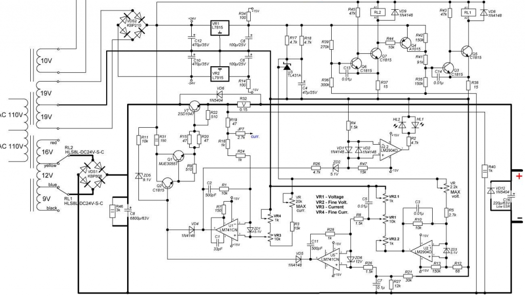
DAZHENG PS-1502DD Power Supply Schematic
Доработка блока питания PS-1502DD
Схема блока NT-200ATX (KA3844B+LM339) Электроника, Принципиальная схема, Электро
ATX-300P4-PFC PC POWER SUPPLY SCH Service Manual download, schematics, eeprom, r
circuit analysis - Help with understanding the power supply schematic - Electric
Не работает импульсный блок питания LE BP-100W-12V DC NT. Ремонт другой электрон
Форум РадиоКот * Просмотр темы - помогите настроить защиту по току БП PS-1501t
Форум РадиоКот * Просмотр темы - БП для гаража.
Форум РадиоКот * Просмотр темы - Переделать БП АТ на 200Ватт на плате lec-961 в
Форум РадиоКот :: Просмотр темы - Зарядное устройство для герметичных свинцовых
Источник питания HY3005 - Форум про радио
Ответы Mail.ru: ребята помогите сделать регулировку напряжения с ограничением то
Ответы Mail.ru: ребята помогите сделать регулировку напряжения с ограничением то
Набор для сборки линейного регулируемого блока питания 35 Вольт 5 Ампер
Схема блока питания ps
Небольшой ремонт блока питания HYelec HY3002-2.