Схема проводки нексия 8 клапанов - смотри 60 фото

Найдено фото: 60

Диагностика двигателя - Ukrainian NEXIA CLUB (Украинский Нексия Клуб),Украина,Ки
Daewoo Espero Контрольно-измерительные приборы и датчики Дэу Эсперо
Электросхема газ 3102 крайслер - YandexAuto.ru
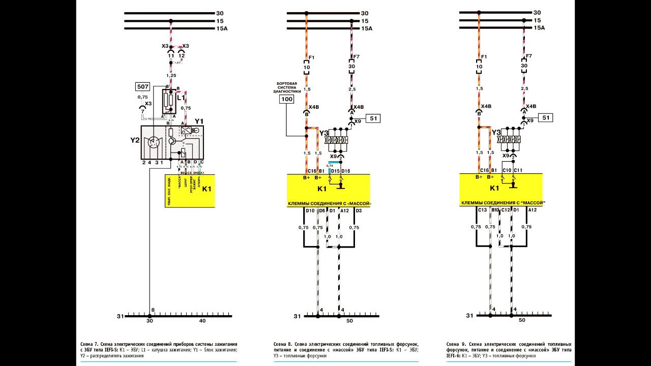
Блок управления двигателем двигателя G15MF (IEFI-6). Daewoo Nexia
Проводке F16D3(nexia), UZ-daewoo и схемам посвящается - DRIVE2
После дождя. Не работает правый габарит. - Daewoo Nexia (N150), 1,6 л, 2010 года
DRL (ДХО) в фару Nexia N150 - Daewoo Nexia, 1,5 л, 1999 года электроника DRIVE2
Установка кондиционера. Электрика. - Daewoo Nexia, 1,5 л, 2003 года электроника
Установка кондиционера. Электрика. - Daewoo Nexia, 1,5 л, 2003 года электроника
Автовключение света (скандинавский свет) на любое авто - Opel Astra G, 1,6 л, 20
По переделкам 1,6 (электросхемы) - Opel Vectra A, 1,6 л, 1989 года электроника D
Перенастройка сигнализации - Daewoo Nexia, 1,5 л, 2007 года своими руками DRIVE2
Что делать если эсперо не заводится/ не едет. Траблшутинг. - Daewoo Espero, 2 л,
Электросхемы Daewoo Nexia - DRIVE2
Свап часть 3 - ЗАЗ Sens, 1,3 л, 2008 года электроника DRIVE2
поиск решения - Daewoo Nexia (N150), 1,5 л, 2011 года электроника DRIVE2
Опять автосвет. Незабудка 2 заморочка - DRIVE2
Подключение кондиционера от G15MF на A15MF - Daewoo Nexia, 1,5 л, 2006 года элек
Перегорает предохранитель F13 A20 Nexia N-100 и понеслось Часть 1 - Daewoo Nexia
Схема 2 Daewoo Espero 1999-2001 Daewoo AutoDocBook
Дэу Нексия Н100 1994-2008, бензин: Электрические стеклоподъемники, центральный э
Ремонт Дэу Эсперо: Схемы электрооборудования Daewoo Espero. Описание, схемы, фот
Принципиальная схема. Система управления двигателем A15MF Daewoo Nexia - Форум A
Electrical wiring diagrams for Chevrolet Lanos Download Free
Неисправности генератора дэу нексия LkbAuto.ru
Контент putnik51 - Страница 20 - Форум автомастеров carmasters.org
Цветные схемы электрооборудования Daewoo Nexia N100 и N150 " Страница 13 " Схемы
NEXIA N100 - Замена ДПДЗ kraft + винтики от ВАЗ (помер через 25к км) - Daewoo Ne
ВАЗ 2109 Установка центрального замка, сигнализации и стеклоподъемников - DRIVE2
Daewoo Nexia - Электросхема фото - YouTube
Схема предохранителей эсперо дэу - КарЛайн.ру
Схемы электрооборудования Daewoo Espero 1991-2000 (Третий Рим) " Схемы предохран
Руководство по ремонту Daewoo Nexia (Дэу Нексия) 94+ г.в. 21.6.6 Системы диагнос
Руководство по ремонту Daewoo Nexia (Дэу Нексия) 94+ г.в. 21.6.7 Система зажиган
Руководство по ремонту Daewoo Nexia (Дэу Нексия) 94+ г.в. 21.6.8 БУ трансмиссией
Руководство по ремонту Daewoo Nexia (Дэу Нексия) 94+ г.в. 21.6. Электрические сх
Руководство по ремонту Daewoo Nexia (Дэу Нексия) 94+ г.в. 21.6. Электрические сх
Руководство по ремонту Daewoo Nexia (Дэу Нексия) 94+ г.в. 21.6. Электрические сх
Руководство по ремонту Daewoo Nexia (Дэу Нексия) 94+ г.в. 21.6. Электрические сх
Руководство по ремонту Daewoo Nexia (Дэу Нексия) 94+ г.в. 21.6. Электрические сх
Руководство по ремонту Daewoo Nexia (Дэу Нексия) 94+ г.в. 21.6. Электрические сх
Дэу нексия не включается зажигание - фото - АвтоМастер Инфо
Дэу Нексия. Датчики температуры, давления, скорости, заслонки, клапан ХХ (IEFI-6
Схема системы управления двигателем G15MF Nexia
Разъем MR-140 - Воронеж - Daewoo Nexia Club