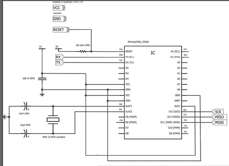
Схема транзистор тестера на atmega328p - смотри 60 фото
Найдено фото: 60
Смотрите также
- 4 х комнатная квартира планировка улучшенная
- Santorini московская ул 122 фото
- Астра сердце франции фото
- Какой дизайн квартиры
- Петр кислов и полина фото
- Исследовательский проект с продуктом готовый
- Как выглядит кладка яиц клопов
- Где на кузове находится номер краски
- Как заменить нижнюю шаровую на ниве
- Дом романовых строительство каркасных домов проекты
- Mitsubishi мимика где находится предохранитель омывателя стекла
- Проект системы защиты информации
- Схемы нагрузок трансформаторов тока
- Скорая помощь фото из фильма
- Ольга жулина актриса биография личная жизнь
- Предохранители под сиденьем рено сценик 2
- Предохранитель заднего хода киа рио 4
- Написать хороший отзыв о кафе пример
- Переверзев иван актер биография и личная жизнь
- Лунный календарь покраски волос в декабре 2023
