Схема унч на транзисторах кт818 кт819 - смотри 60 фото

Найдено фото: 60

Усилители на Tda2050/2052 (2030) - Страница 187 - Усилители мощности на микросхе
Радиосхемы. - Простые транзисторные усилители
Мощный УМЗЧ на транзисторах с однополярным питанием - rcl-radio.ru
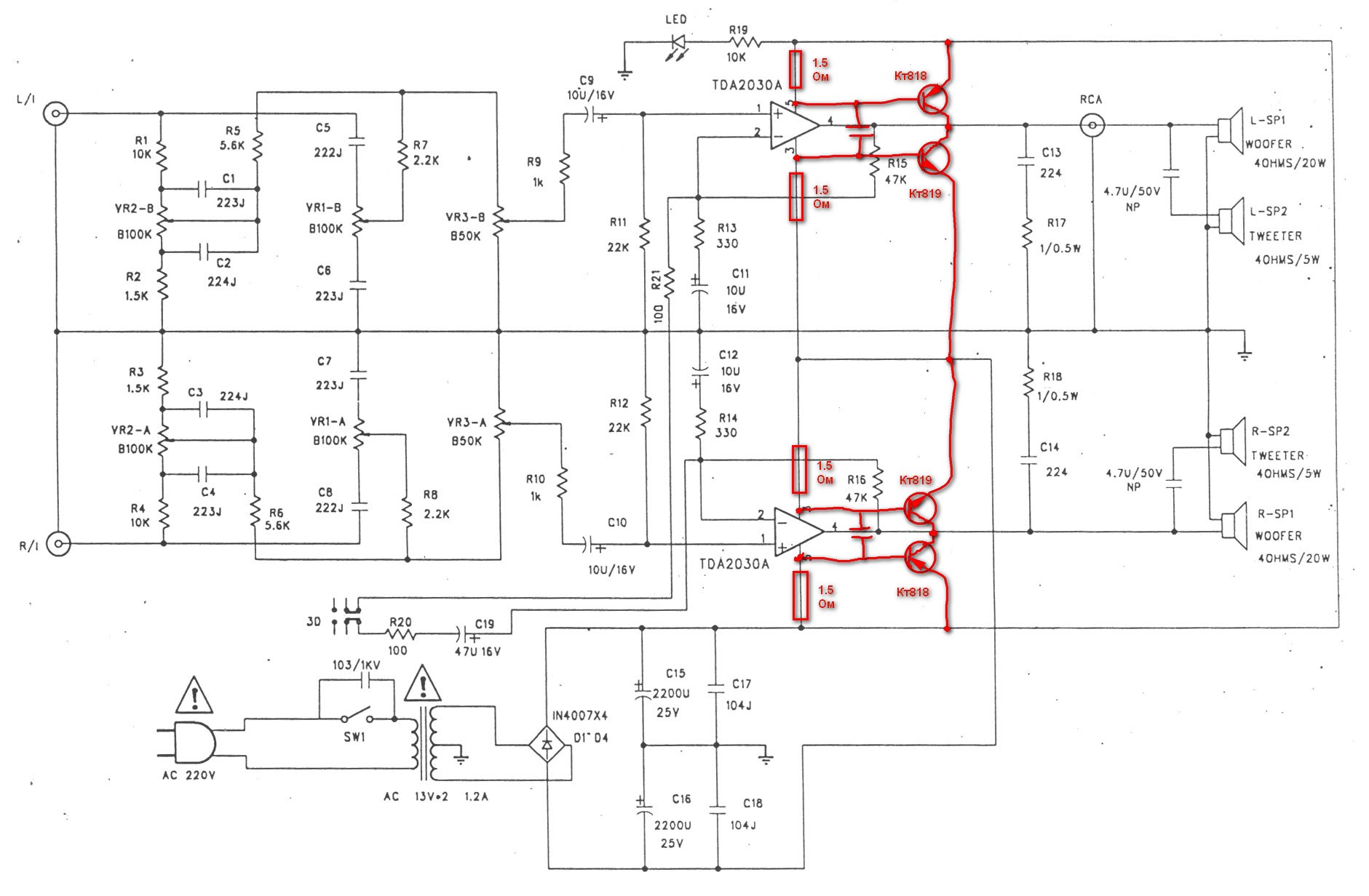
19 paseka24.ru
SATELLITE_RECORDER_AND_TRANSMITTER - Audio_Circuit - Circuit Diagram - SeekIC.co
Простой транзисторный УМЗЧ с КТ819Г на выходе - Страница 5 - Форум
Made in USSR: "Кухонные" (компактные) системы и конструкторы. Часть 3: "Орбита"
Made In USSR 23: ИТОГовая по усилителям. Что из советского может быть интересно.
The PW 12-12 amplifier (1969) Consort3's Blog
Контент АндрейЦ - Страница 11 - Форум ELECTRONIX
Схемы для самостоятельной сборки.
Контент Darlington - Страница 69 - Форум по радиоэлектронике
Усилитель На Транзисторах - Школьникам и студентам - Форум по радиоэлектронике
Рабочая Ли Эта Схема Усилителя - Усилители мощности - Форум по радиоэлектронике
Контент Антон12 - Страница 3 - Форум по радиоэлектронике
Контент DO G97 - Страница 38 - Форум по радиоэлектронике
Контент Badun812 - Страница 40 - Форум по радиоэлектронике
Контент miroslav_mm - Страница 13 - Форум по радиоэлектронике
LM1875 нужен совет - Страница 3 - Усилители мощности на микросхемах TDA2030/TDA2
Контент mailrenko - Форум по радиоэлектронике
Усилитель на LM1875 Масленникова - Страна советов! Общий раздел - Форум журнала
Простой усилитель на 50 Вт - Усилители на транзисторах - Звуковоспроизведение -
Низкочастотный канал Усилитель, Принципиальная схема, Радиолюбитель
Схема простого и мощного усилителя низкой частоты УНЧ 90Вт на транзисторах КТ827
РадиоКот :: Слушабельный класс В Усилитель, Электроника, Усилители звука
Умощнение оу транзисторами: Как буферизовать выход операционного усилителя для п
#1074;ыход несимм&#1
Усилитель, Принципиальная схема, Схемотехника
Принципиальная схема усилителя приведена на рисунке. На его вход подают сигнал з
Принципиальная схема УМЗЧ на транзисторах и операционном усилителе К574УД1Б. При
Форум РадиоКот * Просмотр темы - Прототип простого УМ на 6 транзисторах
Форум РадиоКот * Просмотр темы - УНЧ на пяти транзисторах
Форум РадиоКот * Просмотр темы - Каскад с общим эмиттером.
Ответы Mail.ru: Собираю усилитель на К544УД2Б, но совершенно не понимаю, куда пр
Ответы Mail.ru: УНЧ на одном транзисторе работает тихо. помогите пожалуйста!
Ответы Mail.ru: В чем минус схем УМЗЧ с оконечниками одинаковой структуры?
Ответы Mail.ru: унч на кт815 подскажите схему
Ответы Mail.ru: Есть у когонибудь схема стерео унч на кт805
Ответы Mail.ru: Усилитель мощности на TDA2030A, где на схеме подключать напряжен
Ответы Mail.ru: унч на кт815 подскажите схему
Ответы Mail.ru: посоветуйте простенький усилитель на ват 50-100 на транзисторах
Ответы Mail.ru: Дайте пожалуйста схему звукового усилителя 12v, 30-40w
Плата моно усилителя мощности AIYIMA 100 Вт
TDA2030A схема усилителя, включения с однополярным питанием
Каскадная схема ОИ-ОБ в усилителе мощности низкой частоты
Усилитель мощности для электрогитары на транзисторах КТ818, КТ819 (35Вт)
Схема высококачественного УНЧ на транзисторах (60Вт)
Усилитель НЧ (КТ819-КТ818 -12Вт)
Принципиальная схема УНЧ на транзисторах (80 Вт)
Простой УМЗЧ на девяти транзисторах (20Вт)
3 Принцип работы усилителя низкой частоты
Добрый день, необходим УНЧ для актового зала, собрал следующий унч, по аналогии
Усилитель на КТ805БМ своими руками - RadioRadar
Транзистор kd616 tesla параметры фото АвтоБаза.ру

Смотрите также