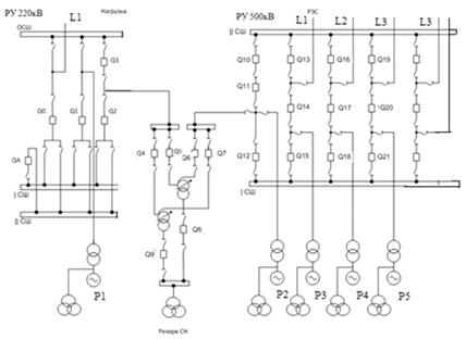
Схемы электрических соединений распределительных устройств - смотри 30 фото
Найдено фото: 30
Смотрите также
- Аренда беседок фото
- Бар вывеска фото
- Бмв м5 ф90 фото спереди
- Зубы дельфина фото
- Какой разъем используется для подключения компьютерной мыши
- Мужская стрижка фото сзади и спереди
- Перманентный макияж отзывы
- Распечатать фото краснодар рядом со мной
- Китайский календарь какие месяцы
- Кадры из черной любви
- Как снять ручку киа оптима
- Как снять моторчик печки на 14
- Как заменить фару опель зафира б
- Как заменить тормозные колодки на буране
- Предохранитель насоса фокус 2
- Фото смерти юлии началовой
- Расположение трубы относительно конька
- Реле отключения как подключить
- Проект дома 6х7 одноэтажный
- Фонбет турнирная таблица англия
