Шевроле круз омыватель лобового стекла предохранитель - смотри 60 фото

Найдено фото: 60

Шевроле круз схема бензонасоса фото
78. Омыватель фар с-140 фэйслифт. Нужна помощь. - Chevrolet Captiva (1G), 2,2 л,
X50A Блок предохранителей - подкапотный - Chevrolet Spark (M300), 1 л, 2013 года
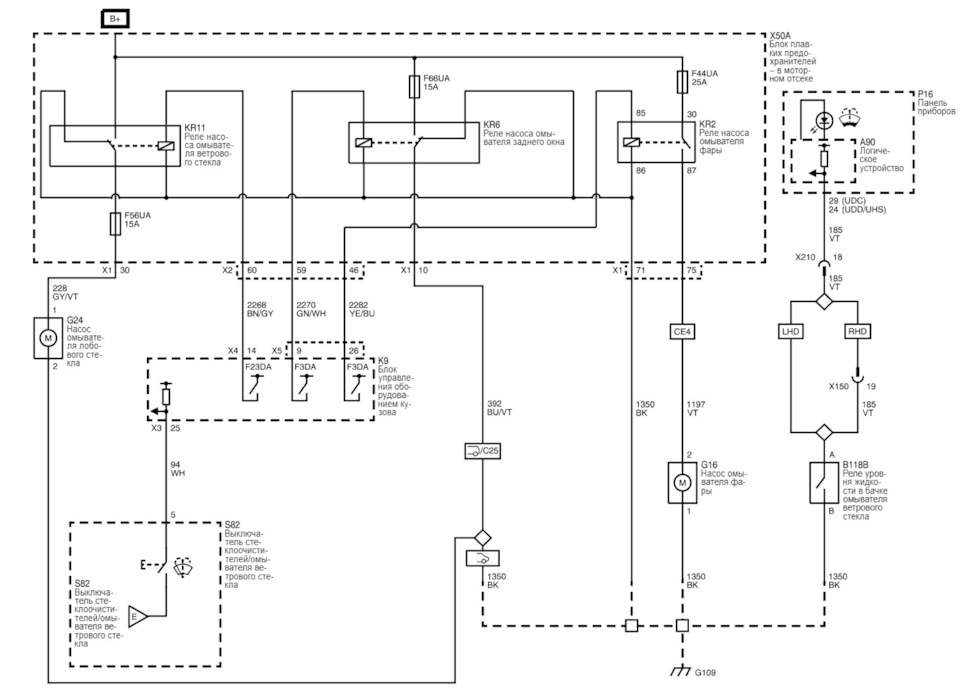
Схема расположения предохранителей Chevrolet Cruze - Сообщество "Chevrolet Cruze
Замена форсунки омывателя заднего стелкла - Chevrolet Cruze Hatchback, 1,8 л, 20
Оживил омыватель фар - Chevrolet Captiva (1G), 2,2 л, 2013 года своими руками DR
Схема блока предохранителя Внутренний + наружный Aveo t200, t250, t300 - Chevrol
Установил обратный клапан ) - Chevrolet Cruze Hatchback, 1,8 л, 2011 года аксесс
Режим, крамсаем, ставим туманку ч.2 + парктроник - Chevrolet Captiva (1G), 3,2 л
Не работает моторчик омывателя шевроле круз 60 фото - KubZap.ru
FAQ по предохранителям - Chevrolet Cruze Hatchback, 1,8 л, 2012 года своими рука
Замена моторчика-насоса омывателя лобового стекла - Chevrolet Epica, 2 л, 2007 г
Трубка омывателя на заднее стекло - Chevrolet Captiva (1G), 2,4 л, 2013 года пол
Переподключил питание видеорегистратора с салонного фонаря на предохранитель в с
Замена предохранителя прикуривателя - Chevrolet Cruze (1G), 1,6 л, 2012 года эле
Викторина ! Угадай от чего предохранитель "TEM" - Chevrolet Aveo Sedan (2G), 1,6
Предохранитель на свет шевроле круз ближний LkbAuto.ru
Бачок омывателя шевроле лачетти кузов седан 96550797 без насоса - купить по выго
Шевроле Круз: схема предохранителей и реле с описанием
Двигатель (насос) омывателя Chevrolet Cruze 2009-2015 2009 купить бу в Ростове-н
Где находится предохранитель на омыватель лобового стекла шевроле круз фото и ви
Замена форсунок омывателя шевроле круз - Дельта Драйв
Снятие бачка омывателя шевроле круз фото - AutoBreez.ru
Насос (моторчик) омывателя стекла Chevrolet Cruze (2016-...) 2017 купить бу в Пе
Бачок стеклоомывателя Chevrolet Cruze HR81S купить во Владивостоке по цене: 500
Set Chevrolet Aveo - Lo (установочный комплект для фар БС)
Расположение и назначение предохранителей (Шевроле Каптива 1 2006-2018: Электроо