Светодиодная плата ca 255 схема подключения - смотри 60 фото

Найдено фото: 60

Pwb 896x3 rev a00 схема
barlang vita Hadifogoly led driver подключение sütő Menstruáció Biblia
Как подключить светодиод. Подключение мощных светодиодов. - Статья АлтСвет в Бар
Gambar Rangkaian Dengan Lampu Disusun Seri 16 Images - Rangkaian Lampu Rumah Oto
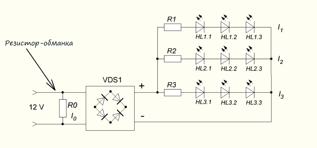
Резисторы-обманки в светодиодных лампах, плюсы и минусы - DRIVE2
Подсветил, рабочее место. - DRIVE2
Светодиодные лампы в поворотники + обманки к ним - Mazda 3 (3G) BM, 1,6 л, 2014
Ответы пользователя Александр - Хабр Q&A
CA 255S 10 48 дюймовый светодиодный дисплей модуль драйвера подсветки телевизора - Товар на картинке можно купить.
Купить 10 шт./лот CA-255S Универсальный 10-48 дюймов светодиодный ЖК-дисплей ТВ - Товар на картинке можно купить.
Купить 10 шт./лот CA-255S Универсальный 10-48 дюймов светодиодный ЖК-дисплей ТВ
50PCS/LOT CA 288 26inch 55inch LED TV Constant current board ,LED TV universal i
CA-255S 10-42 дюйма светодиодный ная подсветка телевизора, плата подсветки ЖК-те
CA-255S 10-42 дюйма светодиодный ная подсветка телевизора, плата подсветки ЖК-те
Основные правила и ошибки при подключении светодиодной ленты ASUTPP Дзен
Правильное подключение светодиода. Схемы подключения. Научно-производственное пр
Gyd 9e схема - CormanStroy.ru
Cветодиодный куб ( LED Cube ) - Avislab - сайт для палких паяльників
Переделка ламп подсветки ЖК монитора на светодиодные ленты
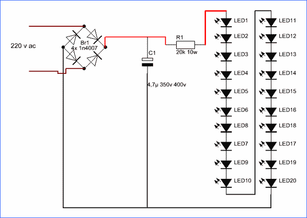
Подключение мощных светодиодов к сети 220 В - Форум
Принцип работы светодиодной ленты фото - DelaDom.ru
Доработка Схемы Светильника - Дайте схему! - Форум по радиоэлектронике
Диммер для светодиодной ленты 12V из модуля CA-155 REV:01 - Песочница (Q&A) - Фо
ДХО в фары и птф. - ГАЗ Соболь, 2,3 л, 1999 года электроника DRIVE2
И снова здравствуйте, мои маленькие любители внутренностей! Мы, наконец-то, добр
Светодиодный драйвер на PT4115 Драйвер, Электроника, Светодиод
Схема светодиодного драйвера для мощного светодиода на микросхеме Electronic cir
Сейчас появилось много микросхемных стабилизаторов тока светодиодов, но все они,
Pin by Alex on Освещение Math, Word search puzzle, Words
Модернизация Asus A6R. Часть 3 - замена ламповой подсветки на светодиодную
Модернизация Asus A6R. Часть 3 - замена ламповой подсветки на светодиодную
Форум РадиоКот * Просмотр темы - Монитор samsung 2233 sn
Форум РадиоКот * Просмотр темы - LED буст-драйвер для линеек подсветки монитора.
Светодиодный светильник с высоким значением ККМ для ЖКХ Статьи по электронике
Светодиод для гирлянды - CormanStroy.ru
Как подключить светодиоды к сети 220 Вольт
монитор Benq 22": переделка подсветки на светодиодную л
Куплю LED контроллер (Driver) SF-1183, для подсветки LCD
Ответы Mail.ru: Вежливая подсветка. Плавный розжиг и затухание
Ответы Mail.ru: Вежливая подсветка. Плавный розжиг и затухание
Ответы Mail.ru: Как подключать такие светодиоды что-то не пойму, нужно перемычки
Ответы Mail.ru: Можно ли так подключать светодиодную ленту
Ответы Mail.ru: у меня есть 6 10-ти ватных светодиода 12 в постоянного шапряжени
Светодиодный драйвер в пластиковом корпусе P (3-4) x 3W, 600 mA Интернет-магазин
Светодиодный драйвер в пластиковом корпусе P (3-4) x 3W, 600 mA Интернет-магазин
Герметичный источник питания 20W (10x2), 600 mA Интернет-магазин светодиодной пр
Герметичный источник питания 20W (10x2), 600 mA Интернет-магазин светодиодной пр
Электроника в быту - Микроконтроллеры и Технологии
Схема подключения светодиодной RGB ленты и 3-х или более блоков питания и контро
5052 Алюминий Hasl Fr4 94v0 Smd Сборка Печатных Плат Прототипная Печатная Плата
Сотворим вместе * Просмотр темы - Задание 6 "Управление светодиодной матрицей" (
Картинки JX 15 2 ПЛАТА ГИРЛЯНДЫ СХЕМА
Gyd 9e схема подключения
Электрическая схема светодиодной ленты на 220 вольт
Ремонт светодиодного фонаря - CormanStroy.ru
Управление яркостью подсветки 7-ми дюймового TFT LCD