Заслонка печки фольксваген пойнтер 2005 где находится - смотри 30 фото

Найдено фото: 30

Контент kuchkin - Клуб любителей VW Passat B3 Санкт-Петербург
РЕМОНТ ПРИВОДА ЗАСЛОНКИ РЕЦИРКУЛЯЦИИ ВОЗДУХА - Volkswagen Polo Sedan, 1,6 л, 201
радиатор печки, привод заслонки приточного воздуха 01596 - Volkswagen Sharan (1G
Заслонка печки - Volkswagen Vento, 1,9 л, 1993 года своими руками DRIVE2
Заслонки печки. - Volkswagen Golf Mk2, 1,8 л, 1985 года запчасти DRIVE2
Замено торпедо и облейка заслонок печки - Volkswagen Golf Mk3, 1,6 л, 1993 года
Сервопривод заслонки рециркуляции отопителя v71 - Volkswagen Golf Mk4, 1,9 л, 20
Замена сервопривода заслонки + Мойка вентилятора печки) - Volkswagen Golf Mk4, 1
45. Попытка восстановления работы вентилятора отопителя замена щеток - Volkswage
Варварская замена сервоприводов заслонок печки - Volkswagen Passat B5, 1,8 л, 20
Замена сервопривода заслонки + Мойка вентилятора печки) - Volkswagen Golf Mk4, 1
Устранение воя вентилятора печки - Volkswagen Polo Sedan, 1,6 л, 2011 года своим
Ошибка 00716 - Электродвигатель заслонки рециркуляции воздуха-V113 - DRIVE2
Ремонт привода заслонки рециркуляции воздуха. - Volkswagen Polo Sedan, 1,6 л, 20
Ремонт заслонок отопителя - Volkswagen Golf Mk3, 1,6 л, 1997 года своими руками
Холодный воздух из крайних воздуховодов и поролон из воздуховодов - Volkswagen G
Замена сервопривода заслонки климата - Volkswagen Touareg (1G), 2,5 л, 2005 года
Ремонт Фольксваген Гольф : Заслонка, регулирующая температуру подаваемого в сало
VID 20181212 183303 - YouTube
проблема с отопителем - Страница 12 - Клуб любителей микроавтобусов и минивэнов
Ремонт печки Volkswagen Polo, не работает на 1,2,3 скорости.
Замена радиатора печки Volkswagen Passat B4 (3A)
Замена радиатора печки Volkswagen Passat B4 (3A)
Фольксваген пассат б3 ремонт печки - фото - АвтоМастер Инфо
Как отрегулировать печку на фольксваген пассат б3 фото Екб-Авто.ру
Регулировка температуры печки вручную VW Caddy 2003 фото
Снятие привода заслонки рециркуляции воздуха и вентилятора отопителя салона Volk
Снятие привода заслонки рециркуляции воздуха и вентилятора отопителя салона Volk
Снятие привода заслонки рециркуляции воздуха и вентилятора отопителя салона Volk
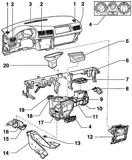
Volkswagen Golf 2003-2008: Heater and air conditioner (Power unit / Cooling and